Javascript est désactivé dans votre navigateur. Pour une meilleure expérience sur notre site, assurez-vous d’activer JavaScript dans votre navigateur.
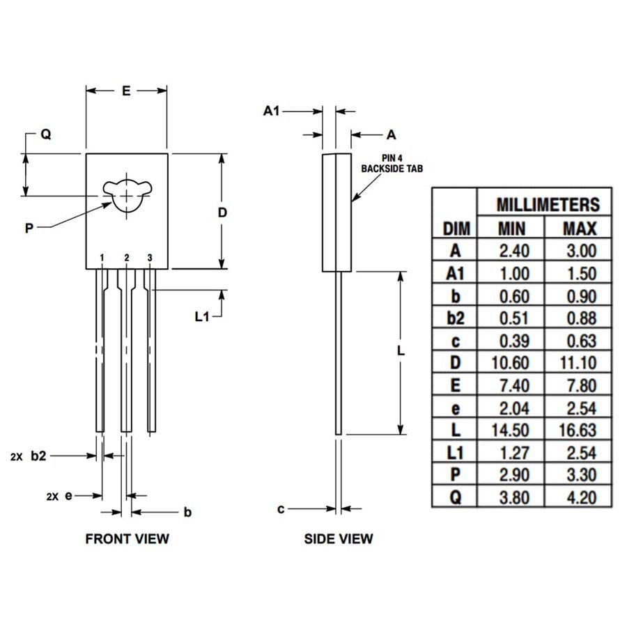
Transistor bipolaire PNP. Tension collecteur-émetteur maxi: 300V. Courant collecteur maxi: 0.5 MJE350 (C2-T39)